1
/
of
2
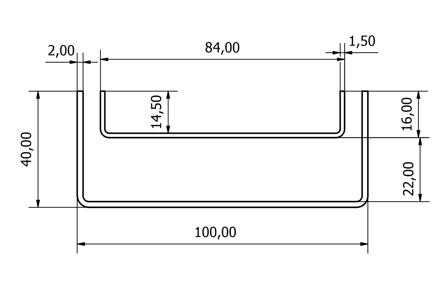
100mm x 40mm x 2.0mm Tile Insert Strip Drain for 12-14mm Tile
100mm x 40mm x 2.0mm Tile Insert Strip Drain for 12-14mm Tile
Tax included.
Shipping calculated at checkout.
100mm Tile Insert Linear Strip Drain
316 Stainless Steel Tile insert drain 100mm. Our tile linear drain¹ inserts are folded from 2mm 316L grade stainless steel.
Fits a 12mm or 14mm tile. We also manufacture a 23.5mm tray depth designed for 20mm tiles.
Compliant 80mm minimum Outlet available.
The drains are fully TIG welded, exposed edges are linished, polished and passivated after manufacture.
For longer drains we can supply the inserts in smaller sections for ease of removal and cleaning. Please contact the seller for more details of your requirements.
All of our drains are manufactured and produced locally, in Australia, and are custom made to suit your specific requirements.
Order form
- Download and send an order form for custom drains.
Custom Orders and Enquiries
Contact us now with your enquiries at info@stripdrains.com.au or phone 1300 308 893.
Share
